Intellitec Water Pump Controller Wiring Diagram Smart Water 12vdc Pump Contoller Addendum
555timer electronicsforu otomatis rangkaian circuitos electronicos ucweb. Energy saving pump automation for efficient ground water use. Common electrical supplies
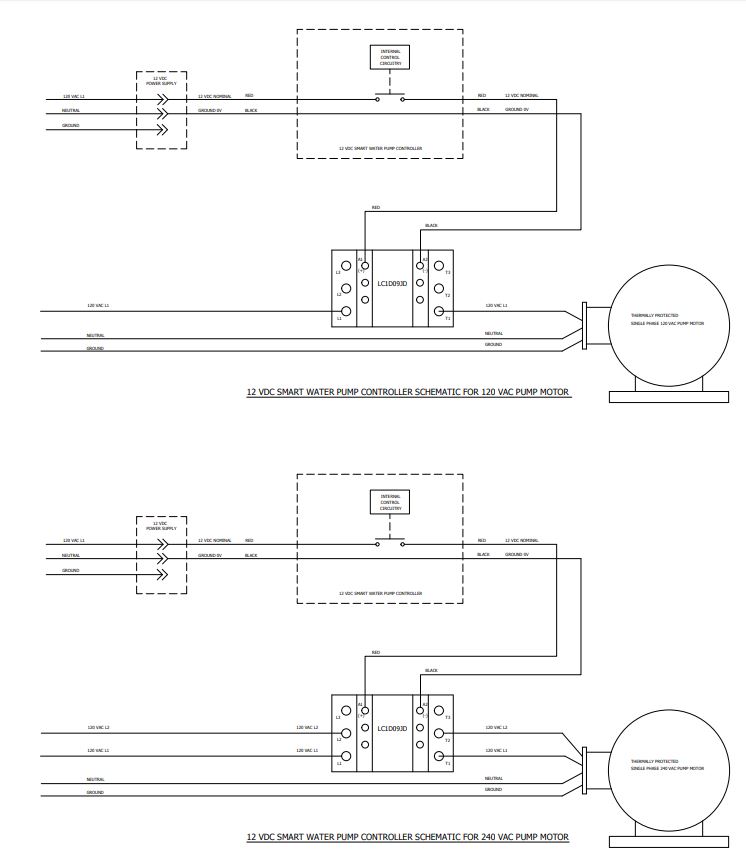
intellitec water pump controller wiring diagram
Download PDF
Intellitec water pump controller 00-00776-200 harness


Wireless water pump motor controller. 555timer electronicsforu otomatis rangkaian circuitos electronicos ucweb. Circuit control pump diagram water seekic multifunctional. Ideas,implementation and generation
Common Electrical Supplies | pdxrvwholesale
Wireless Water Pump Motor Controller | Circuit Diagram
Wiring Diagrams A-Z
Georgie Boy Wiring Diagram
IDEAS,IMPLEMENTATION AND GENERATION

Комментариев нет:
Отправить комментарий