View Images Library Photos and Pictures. Programming Software For Boefeng Uv 5re Plus Amateur Radio Stack Exchange Pin On Amateur Radio Index Of Pub Radio Manuals Baofeng Simple Baofeng Handheld Charger
. Baofeng Uv 5 Squelch Pop Suppression The Smell Of Molten Projects In The Morning Baofeng Pofung Uv 5r Battery Eliminator Wiring Ar15 Com Car Battery Eliminator Blue For Baofeng Uv 5r 409shop Walkie Talkie Handheld Transceiver Radio
Programming Cable For Baofeng Uv 5r Radio With Arduino 3 Steps Instructables
Programming Cable For Baofeng Uv 5r Radio With Arduino 3 Steps Instructables
Index Of Sp9kat Wp Content Uploads Stuff Trx Baofeng Uv5r Schematic
Results Page 580 About Clapp On And Off Searching Circuits At Next Gr
Baofeng Uv 5r Review Uv 5re Pe1rqm
Car Battery Eliminator Blue For Baofeng Uv 5r 409shop Walkie Talkie Handheld Transceiver Radio
Headset Adaptor For Kenwood Baofeng And Wouxun Hts
Uv 5r Cor Worldwidedx Radio Forum
Radio Manuals On Qrzcq The Database For Radio Hams
Teardown Tuesday Baofeng Amateur Radio Transceiver News
Uv 5r Radio Mount And Wiring Diagrams Page 1 Lemons Tech The 24 Hours Of Lemons Forums
Baofeng Uv 5r Uv 5re Battery Socket Connector Smd 409shop Walkie Talkie Ham Handheld Transceiver Radio Ham Radio Ham Radio Antenna Radio
Mpet Baofeng Speaker Mic Connection Guide Overlook Amateur Radio Club
Better Modulation For The Baofeng Uv 5ra Rolfje S Blog
Baofeng Uv 5r 12v Charger Adapter
Some Hardware Modifications For Baofeng S Uv5r Uv82 Dw1zws Panda Antenna Original Handcrafted Philippines
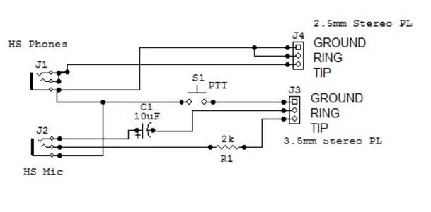
Circuit Schema Diagram Baofeng Headset 1951 Plymouth Wiring Diagram Foreman Yenpancane Jeanjaures37 Fr
Android To Uv 5r Aprs Cable Schematic Amateurradio
Pi Irlp Node K1tm Georgetown Tx
Index Of Sp9kat Wp Content Uploads Stuff Trx Baofeng Uv5r Schematic
Teardown Tuesday Baofeng Amateur Radio Transceiver News
Baofeng Uv5r Schematic Diagram Hamfiles
Make Your Own Tnc X Cable For Baofeng
Packet Radio With Baofeng Uv 5r With Ptt Control Cyber Red Neck





Комментариев нет:
Отправить комментарий